CLOSE
Symbolfoto auf der Titelseite
Click to enlarge
    eMail     Datenschutz     Impressum     
   
Werbung

neu 2026 weiter ...

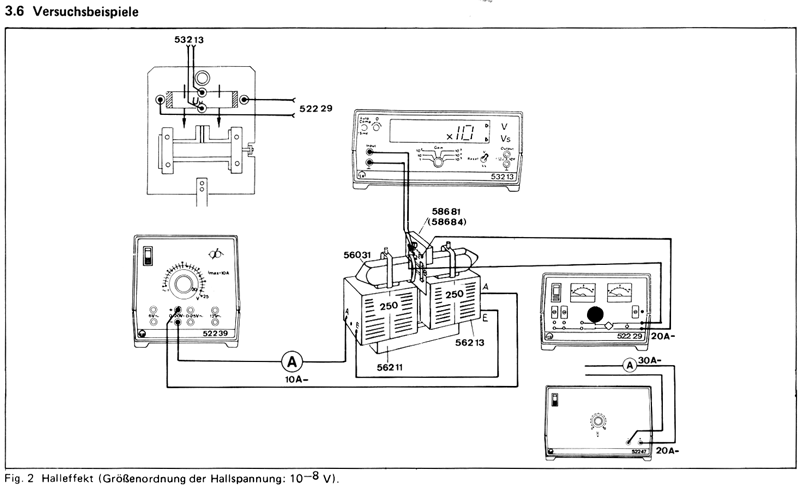
Hall-Effekt

Verschiedene Aufbauten für den Halleffekt (qualitativ)

Phywe
Phywe - Wismut
Hall-Effekt Conatex
Conatex - Germanium N
Hall-Effekt Phywe 11802.00
Phywe - Germanium N
no description

Verlinkung

diese Seite wurde hier gefunden:

 

Zähler



© 2003-2026

Impressum

dokspeicher.de — gammastrahlung.de — uranmaschine.de

 

a